TBBZ系列高压无功自动补偿装置根据6KV、10KV供电母线的电网及负荷状况,通过控制系统电容器组自动跟踪投切,进行无功功率自动跟踪补偿,功率因数达到0.9以上。
极大的优化电能质量、节损降耗,提高输配电系统的输送容量。
型号及含义

例如:TBBZ10-1500(600+900)-AK表示电压为10kV,装置容量为1500kvar,分两组自动投切,一组600kvar,一组900kvar, 单星型接线,开口三角电压保护。
使用环境条件
◆ 海拔高度:不高1000m;
◆ 环境温度:-25℃~+55℃;
◆ 相对湿度:不超过85%;
◆ 运行场所不允许有爆炸危险的介质,周围介质中不应含有腐蚀性和破坏绝缘的气体及导电介质,不允许充满水蒸汽及有严重的霉菌存在。
主要技术参数
◆ 额定电压:6-10kV;
◆ 额定频率:50Hz;
◆ 额定容量:100-10000kvar;
◆ 分组数量:1-5组;
◆ 电抗器参数选择:抑制合闸涌流,电抗率为0.1-1%; 抑制5次以上谐波,电抗率为6%;抑制3次以上谐波,电抗率为12%
装置能在1.1倍额定工作电压的稳态过电压下长期运行;
装置能在方均根值不超过1.3倍电容器组额定电流的过电流下连续运行;
装置采用真空接触器投切,可频繁操作;
每组电容器设有放电线圈,在5秒内可剩余电压降致50V以下;
每组电容器可用继电器保护或是微机保护控制单元,实现电容器组的过流、电压不平衡、系统的欠压、过压保护。当某组电容器出现故障后,可切断本组电容器,不影响其他电容器的使用;
单台电容器有喷逐式熔断器保护,每组配有避雷器起操作过电压及雷击过压保护;
大屏幕液晶显示控制器,实时显示系统电压、电流、功率因数;具有RS232/RS485标准通讯接口,并可实现“四遥”功能;
每组可配置电抗器抑制合闸涌流或抑制谐波放大。
TBBZ系列高压无功自动补偿装置根据6KV、10KV供电母线的电网及负荷状况,通过控制系统电容器组自动跟踪投切,进行无功功率自动跟踪补偿,功率因数达到0.9以上。极大的优化电能质量、节损降耗,提高输配电系统的输送容量。
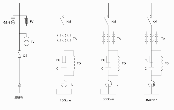
一次原理图

◆ 产品的全型号,对补偿容量及分组有特殊要求请注明;
◆ 是否需要微机监控仪、是户内型还是户外型;
◆ 需要电抗器时,应提供谐波情况,主要是最低次谐波的次数。