KYN61-40.5(Z)型铠装移开式交流金属封闭开关设备,它适用于三相交流50Hz电力系统,用于发电厂、变电所及工矿企业的配电室接受和分配电能之用,并对电路实行控制、保护及监测。
型号及含义

使用环境条件
◆ 周围空气温度:最高温度+40℃。最低温度-10℃;
◆ 海拔高度:≤1000m;
◆ 周围相对湿气:日平均值≤95%,月平均值≤90%;
◆ 周围空气:不适用于有腐蚀、严重污秽,可燃性气体及剧烈振动的场所;
◆ 若有地震发生,地震强度不能超过8级。
主要技术参数

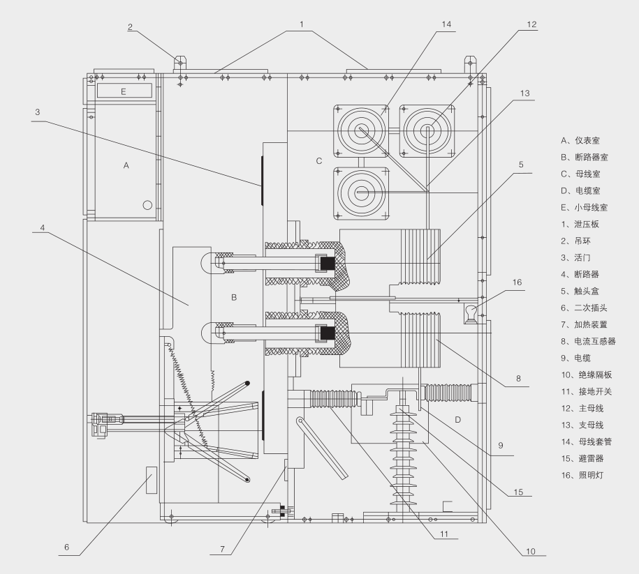
结构特点
◆ 开关柜结构GB3906-2006和IEC298中铠装金属封闭开关设备标准而设计,整体由柜体和可抽出部分(手车)两部分级组成。柜体结构为组装式,用螺栓栓接组合成型,用金属隔板将开关柜体内部分隔为断路器室、主母线室、电缆室和继电器仪表室。外壳防护等级达到IP3X,各隔室间防护等级为IP2X,并且所有金属结构件可靠接地,主回路系统的隔室间有独立排气的压力释放通道。
◆ 手车根据用途可分为断路器手车、电压互感器手车、计量手车、隔离手车等,各类手车的外形尺寸相同,相同用途的手车具有良好的互换性;手车在柜内有试验/隔离位置和工作位置,每一处位置都设有联锁装置以保证手车处于以上两位置时不能随便移动。
本产品符合标准:GB3906《3~35kV交流金属封闭开关设备》,GB/T11022《高压开关设备和控制设备标准共用技术要求》、IEC60298《额定电压1kV以上及50kV以下交流金属封闭开关设备和控制设备》。
外形尺寸(mm)

设备结构图

一、在产品安装调试期间,公司免费为用户提供技术服务、现场协助调试。在服务过程中,公司无偿向用户说明设备制造情况及技术性能,保证设备安装高度验收合格。
二、产品质保期内,属于正常使用中出现的故障,免费维修,并确保用户反馈意见在最短时间得以解决。受理用户提出的质量问题与服务要求后,正常情况下,市内3小时内赶赴故障现场,若遇到变压器或高、低压关键元器件损坏,保证1-3日内予以修复;外省5小时制定维修方案,24小时内派技术人员到现场处理。
三、产品质保期内,若故障赶时间累计超过30天,则质保期按故障时间的两倍顺延。
四、在安装调试过程中,非我公司原因造成的产品故障,我公司有协助解决问题的义务,但所需费用由需方承担。
五、采购的所有外购件,如有质量问题均由我公司负责。质保期内更换的零部件,自更换之日起保修期为12个月。
六、在产品质保期满后,公司仍将为用户进行延续服务并提供技术支持,以最优惠的价格为用户终身提供所需备品、备件、配件和维修保养技术,费用低于行业价格。