GGJ低压无功智能补偿装置能有效改善用电负荷的功率因数,降低线损,提高变压器的实际负载能力,具有显著的节能效果,同时在系统中采用特定的电抗器,还可以有效防止谐波放大、有效吸收大部分谐波电流,使谐电压总畸率限值及各次谐波电流含量限值符合国家标准,达到谐波治理的目的。而如果使用普通的接触器投切电容器组,带来的将会是大的浪涌电流,慢的补偿时间、高的维护费用和短的使用寿命,因此,我们建议用户在以下场合,能优先考虑使用动态无功补偿装置如:工矿企业的变电所、生产车间及民用建筑等的低压电网中,特别适合负荷经常变化,无功功率不稳定的输配电系统。
型号及含义

主要技术参数
◆ 系统电压:AC450V以下
◆ 投切时间:t≤20ms
◆ 投入涌流:<25ln
◆ 额定频率:50Hz±50%
◆ 取样电流:0~5A
◆ 本机功耗:≤15W
◆ 灵敏度:100mA
产品特点
◆ 通用性能强:该补偿柜可与国内外各种任意柜体进行组合,如MNS、GCK、GGD等;
◆ 电容补偿组合方式多样灵活:具有Y型补偿方式、A型补偿方式、Y+A组合补偿方式;
◆ 通讯方式多样性:具备RS-232/485通讯接口,无线数传模块或GPRS模块实行远距离通讯;
◆ 控制准确安全:实行电压过零触发,投入时无浪涌电流过零切除,分断时不产生高压;
◆ 使用寿命长:在免维护下,使用寿命长达10万小时以上。
技术特点
◆ 自动补偿无功功率,提高功率因数;
◆ 提高设备效率,节约投资;
◆ 减少配电线路损耗和变压器损失;
◆ 改变电压质量,提高供电的可靠性。
本产品符合:G8/T15576-2008《低压成套无功功率补偿设备》、IEC60439《低压成套开关设备和控制设备》等标准。
使用环境条件
◆ 环境温度:-5℃~ +40℃
◆ 环境相对湿度:不超过90%(20℃)
◆ 海拔高度:不超过2000m
◆ 周围介质无爆炸危险,无足以损坏及腐蚀金属的气体,无导电尘埃,安装地不宜剧烈振动,无雨雪侵蚀。
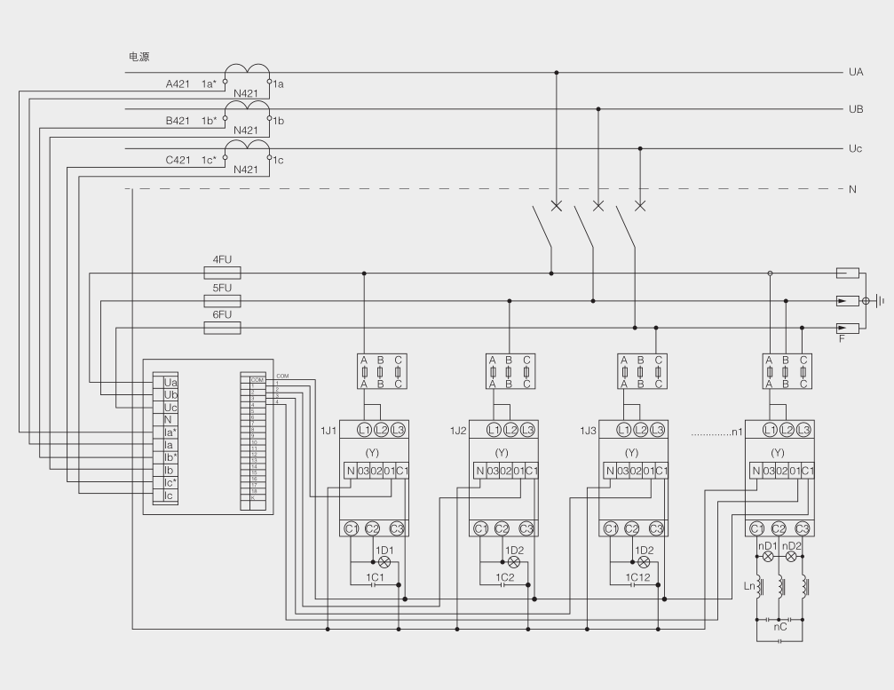
装置系统原理举例

◆ 主电路方案图;
◆ 补偿容量及补偿方式;
◆ 与产品正常使用天配件不相符的须提前说明。